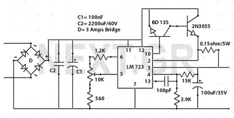
Variable Power Supply LM723 Circuit Diagram

D.Blinkink 17 views
Variable Power Supply LM723 Circuit Diagram

Variable Power Supply LM723 Circuit Diagram

Hey guys! Ever wanted to build your own adjustable power supply? Well, you’re in luck! Today, we’re diving deep into the LM723 variable power supply circuit diagram . This is a super versatile project that lets you control the output voltage, making it perfect for all sorts of electronics experiments and DIY projects. Let’s break down everything you need to know to get started.

Understanding the LM723 Voltage Regulator

The LM723 is a classic adjustable voltage regulator IC. It’s been around for ages, but it’s still incredibly useful and reliable. This chip allows you to create a power supply where you can adjust the output voltage to suit your specific needs. Whether you’re powering a sensitive circuit that requires a precise voltage or experimenting with different voltage levels, the LM723 is your friend. Inside this little chip, you’ll find a reference voltage source, an error amplifier, a series pass transistor driver, and current limiting circuitry. These components work together to maintain a stable output voltage, even when the input voltage or load current changes. It’s like having a mini power plant on a chip!

Key Features of the LM723

  • Adjustable Output Voltage: The main reason we love the LM723 is its ability to provide a variable output voltage. With a few external components, you can set the output voltage anywhere within a wide range, typically from 2V to 37V.
  • High Stability: The LM723 provides excellent line and load regulation, meaning the output voltage remains stable even when the input voltage fluctuates or the load current changes. This is crucial for powering sensitive electronic circuits that require a consistent voltage supply.
  • Current Limiting: The built-in current limiting feature protects the power supply and the connected load from overcurrent conditions. If the output current exceeds a certain limit, the LM723 will automatically reduce the output voltage to prevent damage. This is a lifesaver for avoiding accidental short circuits or overloading the power supply.
  • Thermal Shutdown: To prevent overheating, the LM723 includes a thermal shutdown feature. If the chip’s temperature exceeds a safe level, it will shut down the output to protect itself from damage. This is especially important when using the LM723 in high-power applications.

How the LM723 Works

The LM723 operates by comparing a fraction of the output voltage to an internal reference voltage. The error amplifier inside the chip amplifies the difference between these two voltages and uses the result to control the series pass transistor. The series pass transistor acts like a variable resistor, adjusting the voltage drop between the input and output to maintain a stable output voltage. The external components, such as resistors and capacitors, are used to set the output voltage range, provide feedback, and stabilize the circuit. The current limiting circuitry monitors the output current and reduces the output voltage if the current exceeds the set limit, protecting the power supply and the load.

Components Needed for the Variable Power Supply

Okay, let’s get down to the nitty-gritty. To build this variable power supply, you’ll need a few key components. Don’t worry; most of these are readily available at your local electronics store or online.

  • LM723 Voltage Regulator IC: This is the heart of our power supply. Make sure you get a genuine LM723 for the best performance.
  • Resistors: You’ll need a few resistors to set the output voltage range and provide feedback. The exact values will depend on your desired output voltage range, so have a variety on hand.
  • Potentiometer: A potentiometer (or variable resistor) is used to adjust the output voltage. A 10kΩ potentiometer is a good starting point.
  • Capacitors: Capacitors are used to stabilize the circuit and reduce ripple in the output voltage. You’ll need a few different values, typically ranging from 0.1µF to 100µF.
  • Diodes: Diodes are used for rectification (converting AC to DC) and reverse polarity protection. A 1N4001 or similar diode is suitable.
  • Transformer: A transformer is needed to step down the AC voltage from the mains to a lower voltage suitable for the LM723 . The voltage rating of the transformer will depend on your desired output voltage range.
  • Rectifier Bridge: A rectifier bridge is used to convert the AC voltage from the transformer to DC voltage. You can use a discrete rectifier bridge or an integrated one.
  • Heat Sink: The LM723 can get hot, especially at higher output currents, so a heat sink is essential to prevent overheating.
  • Breadboard or PCB: A breadboard is great for prototyping, but for a more permanent solution, you’ll want to use a printed circuit board (PCB).
  • Power Supply Input Connector: A connector to hook up the power supply to your mains. Make sure it is rated for your region.
  • Output Terminals: Terminals to safely connect your circuit to the variable power supply. Banana jacks are a safe standard to use.

LM723 Variable Power Supply Circuit Diagram Explained

Alright, let’s break down the circuit diagram. This might look intimidating at first, but don’t worry, we’ll walk through it step by step. The basic setup involves the LM723 IC, a few resistors, capacitors, and a potentiometer to adjust the output voltage.

Input Stage

The input stage typically consists of a transformer, rectifier bridge, and filter capacitor. The transformer steps down the AC voltage from the mains to a lower voltage, which is then converted to DC voltage by the rectifier bridge. The filter capacitor smooths out the DC voltage, reducing ripple and providing a more stable input for the LM723 .

Voltage Adjustment

The output voltage is adjusted using a potentiometer connected to the feedback network of the LM723 . The potentiometer allows you to vary the fraction of the output voltage that is fed back to the error amplifier, which in turn adjusts the output voltage. By turning the potentiometer, you can increase or decrease the output voltage within the specified range.

Current Limiting

The current limiting feature of the LM723 is implemented using a sense resistor and an internal comparator. The sense resistor is placed in series with the output current, and the voltage drop across the resistor is proportional to the current. The internal comparator compares this voltage drop to a reference voltage, and if the voltage drop exceeds the reference voltage, the comparator reduces the output voltage to limit the current. This protects the power supply and the connected load from overcurrent conditions.

Output Stage

The output stage consists of a filter capacitor to further smooth out the output voltage and provide a stable voltage for the load. The output voltage is connected to the load through output terminals, which allow you to easily connect and disconnect the load.

Step-by-Step Guide to Building the Power Supply

Okay, time to get our hands dirty! Here’s a step-by-step guide to building your LM723 variable power supply. Follow these steps carefully, and you’ll have a working power supply in no time.

  1. Gather Your Components: Make sure you have all the necessary components listed above. It’s always a good idea to double-check to avoid any surprises later on.
  2. Build the Input Stage: Connect the transformer to the rectifier bridge and then add the filter capacitor. Make sure to observe the correct polarity of the capacitor.
  3. Connect the LM723: Place the LM723 IC on your breadboard or PCB. Connect the input voltage to the appropriate pin on the LM723 .
  4. Wire the Feedback Network: Connect the resistors and potentiometer to the LM723 according to the circuit diagram. This is where you’ll set the output voltage range, so pay close attention to the resistor values.
  5. Add the Current Limiting Circuitry: Connect the sense resistor and any other components required for current limiting. This will protect your power supply from overcurrent conditions.
  6. Connect the Output Stage: Add the output filter capacitor and connect the output terminals. This will provide a stable output voltage for your load.
  7. Double-Check Your Connections: Before applying power, carefully double-check all your connections to make sure everything is wired correctly. A mistake here could damage your components or even cause a safety hazard.
  8. Test the Power Supply: Apply power to the input and use a multimeter to measure the output voltage. Adjust the potentiometer to see if you can vary the output voltage as expected. If everything is working correctly, congratulations! You’ve built your own LM723 variable power supply.

Tips and Tricks for Success

Building electronics projects can be tricky, so here are a few tips and tricks to help you succeed with your LM723 variable power supply.

  • Read the Datasheet: The LM723 datasheet is your best friend. It contains all the information you need to understand how the chip works and how to use it in your project. Always refer to the datasheet for pinouts, voltage ratings, and other important specifications.
  • Use a Heat Sink: The LM723 can get hot, especially at higher output currents, so always use a heat sink to prevent overheating. A small heat sink can make a big difference in the reliability of your power supply.
  • Filter Capacitors are Key: Use adequate filter capacitors to smooth out the input and output voltages. This will reduce ripple and provide a more stable voltage for your load.
  • Double-Check Your Wiring: Before applying power, carefully double-check all your wiring to make sure everything is connected correctly. A mistake here could damage your components or even cause a safety hazard.
  • Start with Low Voltage: When testing the power supply for the first time, start with a low input voltage and gradually increase it while monitoring the output voltage. This will help you catch any mistakes before they cause damage.
  • Don’t Exceed Maximum Ratings: Be careful not to exceed the maximum voltage and current ratings of the LM723 . This could damage the chip and render your power supply useless.

Troubleshooting Common Issues

Even with careful planning, you might run into some issues while building your LM723 variable power supply. Here are a few common problems and how to troubleshoot them.

  • No Output Voltage: If you’re not getting any output voltage, check the input voltage, the wiring, and the LM723 itself. Make sure the LM723 is receiving power and that all the connections are correct.
  • Unstable Output Voltage: If the output voltage is unstable, check the filter capacitors and the feedback network. Make sure the capacitors are the correct values and that the feedback network is properly connected.
  • Overheating: If the LM723 is overheating, make sure you’re using a heat sink and that you’re not exceeding the maximum current rating. You may also need to reduce the input voltage or the output current.
  • Incorrect Output Voltage Range: If the output voltage range is not what you expected, check the resistor values in the feedback network. Make sure the resistor values are correct and that the potentiometer is properly connected.

Conclusion

Building an LM723 variable power supply is a rewarding project that can teach you a lot about electronics. With a little bit of patience and attention to detail, you can create a versatile power supply that will be useful for all sorts of projects. So, gather your components, follow the steps, and get building! You’ll be amazed at what you can accomplish.