Polytron U Slim TV Vertical IC Schematic Guide

D.Blinkink 32 views
Polytron U Slim TV Vertical IC Schematic Guide

Polytron U Slim TV Vertical IC Schematic Guide

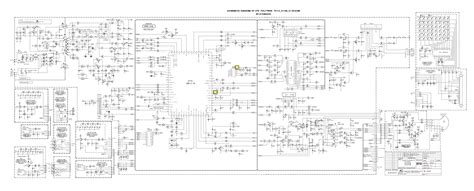
Hey guys! So, you’ve got yourself a classic Polytron U Slim TV, a real champ from back in the day, and you’re running into some vertical issues. Maybe the picture’s all squished, or it’s just a wonky line down the middle. Don’t sweat it! Today, we’re diving deep into the Polytron U Slim TV vertical IC schematic . This guide is gonna be your go-to for understanding what’s what and how to get that picture back in shape. We’ll break down the schematic, talk about the key components, and give you some pointers on troubleshooting. So, grab your tools, maybe a cup of your favorite beverage, and let’s get this done!

Understanding the Vertical Deflection Circuit

Alright, first things first, let’s get our heads around the vertical deflection circuit in your Polytron U Slim. This is the part of the TV that’s responsible for moving the electron beam up and down on your screen, creating the vertical lines that make up the picture. Think of it like a tiny artist drawing the image, and the vertical circuit is the hand that moves the pencil up and down. When this part malfunctions, you’re gonna see problems like a stretched or compressed image, a vertical foldover, or even just a blank screen with a single horizontal line. The Polytron U Slim TV vertical IC schematic is your map to this intricate system. It shows you all the interconnected parts – the integrated circuit (IC) that drives the process, the resistors, capacitors, diodes, and transistors that help control the signal. Understanding how these pieces work together is crucial for any repair. The vertical deflection system usually works by generating a sawtooth waveform, which is a specific type of signal that ramps up and then quickly drops down. This waveform is amplified and fed to the vertical deflection coils, which are typically located around the neck of the picture tube. These coils create a magnetic field that steers the electron beam. The IC plays a central role here; it generates the initial sawtooth signal and controls its amplitude and frequency, ensuring the beam sweeps across the entire screen vertically at the correct speed. The schematic helps us trace this signal path, identify potential weak points, and understand the expected voltage and signal levels at various test points. Without this schematic, you’d be flying blind, trying to figure out the circuit’s logic through guesswork, which is never a good idea when dealing with delicate electronics. So, getting familiar with the schematic is your first, and perhaps most important, step in tackling vertical issues on your Polytron U Slim.

The Heart of the Matter: The Vertical Deflection IC

Now, let’s talk about the star of the show – the vertical deflection IC . This is usually a specialized chip designed to handle the heavy lifting of generating and amplifying the vertical sweep signal. In the context of the Polytron U Slim TV vertical IC schematic , this IC is often labeled with a specific part number, and its pinout is critical to understand. This IC takes a relatively low-level video signal and transforms it into the powerful, oscillating waveform needed to drive the deflection coils. It’s typically an amplifier, but it’s designed specifically for the sawtooth waveform required for vertical scanning. Common issues with this IC can include internal failure, overheating, or damage from voltage spikes. When this IC goes bad, your vertical picture might be distorted, absent, or unstable. The schematic will show you which pins are for power supply, ground, input signals, and output signals going to the deflection coils. Knowing these connections is vital. For instance, if the IC isn’t getting the correct power supply voltage, it won’t function properly, leading to vertical problems. Similarly, if the input signal is weak or distorted, the output will suffer. The schematic will often indicate the expected voltages at these pins, allowing you to use your multimeter to check if the IC is being powered correctly and if it’s receiving the right input. Some ICs might also have feedback pins that help regulate the sweep. If these are compromised, the scan might become erratic. Pin identification is key; a wrong connection or a short circuit on one of these pins can easily fry the IC or other components in the circuit. Therefore, a thorough understanding of the IC’s role as depicted in the schematic is fundamental to diagnosing and fixing vertical issues. Remember, this IC is the brain of the vertical deflection system, and if it’s not functioning, nothing else will work as it should. Careful inspection of its physical condition – looking for burn marks, cracks, or bulging – is also a good preliminary step before diving into electrical tests using the schematic as your guide.

Essential Components in the Vertical Circuit

Beyond the main IC, the vertical deflection circuit is packed with other crucial components that work in harmony. The Polytron U Slim TV vertical IC schematic will highlight these, and understanding their role is just as important. You’ll typically find a number of resistors , which control the flow of current and can be used to set voltage levels or bias the transistors. Some might be fixed resistors, while others could be variable (potentiometers) used for calibration. If a resistor burns out or its value drifts significantly, it can throw off the entire circuit’s balance. Then there are capacitors . These store electrical energy and are vital for filtering signals, smoothing out power supplies, and forming part of the timing circuits that dictate the sawtooth waveform’s characteristics. Electrolytic capacitors, especially, can dry out over time, losing their capacitance, which can lead to symptoms like a weak vertical signal or poor picture linearity. Ceramic capacitors are generally more robust but can also fail. Diodes are also common; they allow current to flow in only one direction and are often used for voltage protection or as part of the waveform shaping circuitry. Finally, transistors often act as amplifiers or switches within the circuit, boosting the signal from the IC to a level capable of driving the deflection coils. These can overheat and fail, especially if the deflection coils themselves have developed a fault. The schematic is your roadmap to finding these components, identifying their values (resistance in ohms, capacitance in farads, etc.), and understanding their connections. For example, if you suspect a faulty capacitor, the schematic will show you which one it is, its value, and where it connects. You can then test it or replace it based on the schematic’s information. Likewise, if a transistor is suspected, the schematic will show its type and how it’s biased, helping you check its functionality. It’s the interplay between the IC and these discrete components that creates the precise control needed for a stable, full-screen vertical display. Don’t overlook these supporting players; they are often the culprits behind vertical malfunctions.

Troubleshooting Vertical Issues with the Schematic

Okay, so you’ve identified a vertical problem, you’ve got your Polytron U Slim TV vertical IC schematic , and you’re ready to roll up your sleeves. This is where the real detective work begins! The schematic isn’t just a drawing; it’s your diagnostic tool. Troubleshooting vertical issues with the schematic involves a systematic approach. First, visually inspect the circuit board . Look for obvious signs of damage like burnt components, cracked solder joints, or bulging capacitors. Sometimes, the problem is staring you right in the face. Once you’ve done a visual sweep, it’s time to power up the TV (safely, of course!) and start taking measurements using a multimeter. The schematic will show you important test points and expected voltage levels. Start with the power supply to the vertical IC. Is it receiving the correct voltage? If not, you need to trace back why – is it a problem with the power supply section, a fuse, or a bad connection? If the power is good, then move to the input pins of the IC. Is it receiving the expected video signal? If the input signal is weak or absent, the problem might lie further upstream in the video processing stages. If the input signal is good, then check the output pins. Are you seeing the amplified sawtooth waveform? If the output is weak, distorted, or absent, the IC itself might be faulty, or there could be an issue with the components directly connected to its output, like feedback resistors or capacitors. The schematic will guide you on how to interpret these readings. For example, it might indicate that a certain pin should have a stable DC voltage, or it might show a waveform you can compare with what you’re measuring on an oscilloscope (if you have one). Component testing is another critical step. If you suspect a particular capacitor or resistor is bad, you can often desolder one leg and test its value directly. The schematic provides the original values for comparison. When it comes to transistors, you can often test their basic functionality in-circuit, or desolder them for a more thorough test. Remember, safety first! Always disconnect power before probing sensitive components, and be aware of high-voltage areas, especially around the picture tube. Following the signal path laid out in the schematic, checking voltages and signal integrity at each step, will lead you to the root cause of the vertical problem. It’s about logically dissecting the circuit based on the information provided in the schematic.

Common Failure Points and Fixes

When you’re elbows-deep in the Polytron U Slim TV vertical IC schematic , you’ll start noticing patterns in what tends to go wrong. Common failure points in vertical circuits often revolve around a few key suspects. First up, the vertical deflection IC itself. These chips can fail due to age, heat, or power surges. If all other checks point to a faulty IC, replacing it is often the solution. Make sure you get the exact same part number, as substitutes can have different pinouts or performance characteristics. Next on the list are electrolytic capacitors . These are notorious for drying out over time, especially in older TVs like the U Slim. A dried-out capacitor loses its ability to store a charge or filter effectively, leading to symptoms like a weak vertical sweep, poor linearity (where the picture isn’t stretched evenly top to bottom), or even a complete loss of vertical signal. Replacing suspect electrolytic capacitors, especially those in the vertical circuit and power supply, is a common and often successful repair. Check their physical condition too; bulging or leaking tops are clear signs of failure. Resistors can also fail, though less frequently than capacitors. They can burn out completely (open circuit) or drift in value (changing resistance). A burnt resistor might be visibly discolored or charred. If a resistor’s value has changed, it can throw off the bias for transistors or alter the timing of the sawtooth waveform. Check their resistance values against the schematic. Finally, issues with the vertical deflection coils themselves, which are part of the yoke assembly around the picture tube, can cause problems. These coils can develop shorts or open circuits. If the coils are faulty, they can put excessive strain on the vertical output transistors and the IC, potentially causing them to fail as well. A continuity test on the coils, as indicated by the schematic, can help diagnose this. When fixing, always use components with the correct specifications – voltage, capacitance, resistance, and wattage. For IC replacements, ensure you properly clean the board and use appropriate solder and flux. Sometimes, a simple resoldering of suspicious joints around the vertical IC and associated components can fix intermittent vertical issues. It’s a process of elimination, guided by the schematic, to pinpoint and replace the faulty part.

Safety Precautions When Working with TV Schematics

Before we wrap up, let’s hammer home the importance of safety precautions when working with TV schematics , especially on older models like your Polytron U Slim. Safety first, guys! TVs, even when unplugged, can store a dangerous electrical charge in their capacitors. The high-voltage section , particularly around the flyback transformer and the picture tube anode, can hold lethal voltages long after the TV has been turned off. Always discharge capacitors before touching anything on the circuit board. You can do this by using a high-wattage resistor (like a 10k ohm, 10-watt resistor) connected to an insulated wire, touching one end to the capacitor’s positive terminal and the other end to ground. Be patient; it takes time for them to discharge fully. Always unplug the TV from the mains power before you open it up or start probing. Use insulated tools whenever possible. Don’t wear metal jewelry or watches that could accidentally short out components or conduct electricity. If you’re unsure about a particular area or procedure, don’t guess . Consult experienced technicians or reliable repair guides. When taking measurements with a multimeter, ensure it’s set to the correct range and function. Start with higher voltage ranges and work your way down if necessary. Be mindful of the orientation of components like diodes and electrolytic capacitors when replacing them; installing them backward can cause damage or failure. And remember, the Polytron U Slim TV vertical IC schematic is your guide, but it doesn’t replace common sense and a healthy respect for electricity. If at any point you feel overwhelmed or unsafe, it’s always best to seek professional help. Working safely ensures you can complete the repair without risking injury or further damaging the TV.

Conclusion

So there you have it, folks! We’ve journeyed through the world of the Polytron U Slim TV vertical IC schematic , covering the basics of the vertical deflection circuit, the vital role of the vertical IC and its supporting components, and how to use the schematic for effective troubleshooting. Remember, repairing older TVs can be incredibly rewarding, bringing a piece of history back to life. Keep that schematic handy, work safely, and be methodical in your approach. With a bit of patience and the right information, you can conquer those vertical display woes on your Polytron U Slim. Happy repairing!