ILM723CN Power Supply Circuit Explained

D.Blinkink 35 views
ILM723CN Power Supply Circuit Explained

ILM723CN Power Supply Circuit Explained

Hey guys! Today, we’re diving deep into the world of power supply circuits, and our star player is the ILM723CN . If you’re into electronics, tinkering with circuits, or just curious about how things power up, this article is for you. We’re going to break down the ILM723CN power supply circuit in a way that’s easy to grasp, even if you’re not a seasoned pro. Get ready to understand the nitty-gritty of this versatile component and how it forms the backbone of many electronic devices. We’ll cover its features, typical applications, and even some common troubleshooting tips. So, grab your favorite beverage, settle in, and let’s get this electronic party started!

Understanding the Core Components of the ILM723CN Circuit

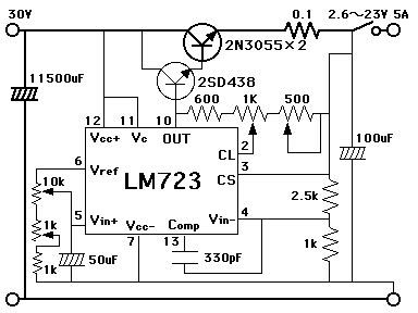
Alright, let’s talk about the heart of the matter: the ILM723CN . This little chip is a voltage regulator , and it’s a real workhorse when it comes to providing stable and reliable power to your electronic projects. Think of it as the vigilant guardian of your circuit, ensuring that the voltage stays just right, no matter what’s going on with the input power. The ILM723CN is designed to be flexible, allowing you to set the output voltage within a wide range, which is super handy for different applications. It can handle a decent amount of current, too, making it suitable for a variety of projects, from simple LED projects to more complex power supply units.

One of the coolest things about the ILM723CN is its internal structure. It packs a lot of functionality into a single package. You’ve got your internal voltage reference, error amplifier, current limiting, and output transistor all bundled together. This integration means fewer external components are needed, simplifying your circuit design and reducing the overall cost and complexity. This makes it a go-to choice for hobbyists and engineers alike who want a robust and straightforward power supply solution. When you look at a typical ILM723CN power supply circuit diagram, you’ll often see it surrounded by a few external resistors and capacitors. These components are crucial for setting the output voltage, current limit, and ensuring stability. For instance, resistors are used in a voltage divider configuration to set the desired output voltage. The value of these resistors directly dictates the output voltage, giving you precise control. Capacitors play a vital role in filtering out noise and ensuring smooth operation. They help to smooth out any fluctuations in the input voltage and prevent oscillations in the output. The current limiting feature is also a lifesaver. It protects your circuit and the load from damage by preventing excessive current draw. You can usually set this limit using another resistor, giving you control over how much current the power supply can deliver before it starts to shut down or reduce its output. This feature is absolutely essential for protecting sensitive electronic components.

How the ILM723CN Achieves Stable Voltage Output

Now, let’s get into how the ILM723CN actually keeps that voltage steady. It’s all about feedback . The ILM723CN is a linear voltage regulator, which means it essentially acts like a variable resistor in series with the load. It constantly monitors the output voltage and adjusts its internal resistance to maintain the target voltage. The magic happens through its internal error amplifier. This amplifier compares the actual output voltage (which is usually sampled via a voltage divider network) to a precise internal reference voltage. If the output voltage is too high, the error amplifier tells the internal pass transistor to increase its resistance, effectively dropping more voltage and bringing the output down. If the output voltage is too low, the error amplifier signals the pass transistor to decrease its resistance, allowing more voltage to reach the load. It’s a continuous, closed-loop system that works tirelessly to keep things stable.

This feedback mechanism is what makes linear regulators like the ILM723CN so effective at rejecting line and load variations. Line regulation refers to how well the regulator maintains its output voltage when the input voltage changes. Good line regulation means the output stays constant even if the input fluctuates within its operating range. Load regulation refers to how well the regulator maintains its output voltage when the current drawn by the load changes. Excellent load regulation means the output voltage doesn’t dip or rise significantly when you turn devices on or off connected to the power supply. The ILM723CN is known for its good performance in both these areas. The current limiting feature is also integrated into this feedback loop. If the load tries to draw more current than the preset limit, the regulator will reduce its output voltage or shut down completely to prevent damage. This is a critical safety feature that protects your valuable electronic components. Without it, a short circuit in your load could instantly fry your power supply and potentially other connected devices. The ILM723CN allows you to set this limit fairly easily with an external resistor. The stability of the output is also enhanced by external capacitors. These capacitors are placed at the input and output terminals of the regulator. The input capacitor helps to filter out any AC ripple or noise from the incoming power source, while the output capacitor helps to smooth out the regulated DC voltage and improve the transient response – that is, how quickly the regulator can react to sudden changes in load current. Proper capacitor selection and placement are key to achieving optimal performance and stability from your ILM723CN power supply circuit. It’s this combination of internal circuitry and carefully chosen external components that makes the ILM723CN a reliable choice for many power supply applications.

Designing Your Own ILM723CN Power Supply: Key Considerations

So, you’re ready to build your own power supply using the ILM723CN ? Awesome! Designing with this IC is pretty straightforward, but there are a few crucial things you’ll want to keep in mind to make sure your circuit works like a charm. First off, let’s talk about voltage setting . The ILM723CN has a feedback pin (usually labeled FB) that you connect to a voltage divider. This divider is made up of two resistors, R1 and R2. The ratio of these resistors determines your output voltage. The formula is usually something like Vout = Vref * (1 + R1/R2), where Vref is the internal reference voltage of the ILM723CN. You’ll need to pick resistor values that give you the output voltage you need, keeping in mind that standard resistor values might require a little calculation to get exactly what you want. Don’t forget to consider the power dissipation in these resistors, especially R1, as it can get a bit warm.

Next up is current limiting . This is a super important safety feature, guys. You’ll typically use another resistor (often called the current sense resistor, Rsense) in series with the output. The voltage drop across this resistor is monitored by the ILM723CN. When this voltage drop reaches a certain threshold, the current limiting kicks in. You’ll need to calculate the value of Rsense based on the maximum current you want your power supply to deliver. The formula usually involves the current limit threshold voltage and the desired current limit. It’s better to err on the side of caution here and set a limit slightly lower than what you think you’ll need, just to be safe. Remember, this feature protects your components, so don’t skip it!

Heat dissipation is another biggie. The ILM723CN is a linear regulator, which means it dissipates excess voltage as heat. The amount of heat generated is (Vin - Vout) * Iout. If you’re dropping a lot of voltage or drawing a lot of current, the ILM723CN can get quite hot. You might need to add a heatsink to the IC to keep it from overheating. The size of the heatsink will depend on the power dissipation. Check the datasheet for thermal resistance information to help you choose an appropriate heatsink. Without adequate cooling, the regulator can shut down or even be damaged. So, definitely plan for thermal management!

Finally, let’s not forget about stability and filtering . You’ll need input and output capacitors. The input capacitor helps to stabilize the incoming voltage and filter out noise. An electrolytic capacitor is often used here, with a value typically in the range of 10uF to 100uF. The output capacitor helps to smooth the regulated output voltage and improve transient response. A smaller ceramic capacitor (like 0.1uF) in parallel with a larger electrolytic capacitor (like 1uF to 10uF) is a common setup. These capacitors help to ensure that your power supply provides clean and stable power to your load. Always refer to the ILM723CN datasheet for specific recommendations on capacitor types and values, as they can vary slightly depending on the application. Following these guidelines will help you build a robust and reliable power supply circuit that you can be proud of!

Common Applications and Troubleshooting for ILM723CN Circuits

So, where do you typically find the ILM723CN power supply circuit in action? Well, its versatility makes it a popular choice for a whole bunch of applications, guys. One of the most common places is in benchtop power supplies . These are the adjustable power supplies you see in electronics labs and workshops, allowing users to dial in specific voltages and currents for testing and prototyping. The ILM723CN is perfect for these because it’s adjustable and has built-in current limiting, which is crucial when you’re dealing with unknown circuits. You can design a power supply that provides a range of voltages from, say, 3V all the way up to 24V, all with a current limit that you can set.

Another area where it shines is in battery charging circuits . For certain types of batteries, you need a constant current followed by a constant voltage charge. The ILM723CN can be configured to provide these charging profiles, ensuring that your batteries are charged safely and efficiently. Its ability to regulate voltage and current makes it a solid choice for this task. Think about charging up your RC car batteries or even custom battery packs for portable devices; the ILM723CN can play a key role.

It’s also frequently used in low-power equipment power supplies . This could be anything from small audio amplifiers, control systems for industrial equipment, to consumer electronics. Anywhere a stable, regulated DC voltage is required, and the current demands aren’t astronomically high, the ILM723CN is a strong contender. Its relatively simple external component count and robust nature make it ideal for embedding into various devices without adding too much complexity or cost.

Now, let’s talk troubleshooting. Because the ILM723CN is so common, knowing how to fix it when things go wrong is a lifesaver. No output voltage is probably the most common issue. First things first, check your input voltage . Is it within the specified range for the ILM723CN? If not, the regulator won’t work. Next, inspect your components . Are the resistors and capacitors connected correctly? Are there any shorts or open circuits? A faulty capacitor can sometimes cause issues, so checking those is a good idea. Verify your voltage divider resistors . Are they the correct values? A mistake here will directly affect your output voltage. If your resistors are correct, measure the voltage at the feedback pin. It should be equal to the internal reference voltage.

If you’re getting an unstable or noisy output , it’s often related to the external capacitors . Ensure they are connected properly and have the correct capacitance and voltage ratings. Sometimes, adding a small ceramic capacitor in parallel with the electrolytic capacitor on the output can help filter out high-frequency noise. Also, check for any loose connections or poor grounding, as these can introduce noise into the circuit.

Overheating is another common problem, especially if you’ve skipped the heatsink or are pushing the regulator too hard. If the output voltage is dropping or cutting out intermittently, especially under load, it could be thermal shutdown kicking in. Check your heatsink attachment and ensure it’s making good contact. Re-evaluate your thermal management strategy; maybe you need a bigger heatsink or a fan. Remember that the power dissipation is (Vin - Vout) * Iout. If this value is consistently high, you’ll need better cooling.

Finally, if you suspect the ILM723CN chip itself is faulty , you can test it by powering down the circuit and carefully removing the chip. Then, using a breakout board or carefully connecting wires, you can test the chip in a known good configuration or compare its behavior to the datasheet specifications. However, more often than not, the problem lies with the external components or the way the circuit has been assembled. Always start with the simplest checks: input voltage, connections, and passive components before assuming the IC is dead. Happy fixing!

Conclusion: The Enduring Value of the ILM723CN

So there you have it, guys! We’ve taken a comprehensive dive into the ILM723CN power supply circuit . From understanding its internal workings to designing your own and troubleshooting common issues, you should now have a solid grasp of this versatile component. The ILM723CN remains a popular choice for a reason: it offers a fantastic balance of performance, simplicity, and cost-effectiveness. Its integrated features like adjustable output voltage, reliable current limiting, and good regulation performance make it a go-to for a wide array of electronic projects and equipment.

Whether you’re building a custom power supply for your workbench, designing a charging circuit for a new gadget, or integrating a stable power source into a larger system, the ILM723CN provides a reliable and well-understood solution. Its robustness means it can handle some abuse, and its widespread availability ensures you can easily get your hands on it. While more modern switching regulators offer higher efficiency, linear regulators like the ILM723CN still hold their ground for applications where low noise, simplicity, and ease of design are paramount. The basic principles of setting voltage with resistors, controlling current with a sense resistor, and ensuring stability with capacitors are fundamental concepts in electronics, and the ILM723CN is a perfect platform to learn and apply them.

Remember the key takeaways: use voltage dividers for output voltage, current sense resistors for protection, heatsinks for thermal management, and capacitors for stability. And when things go wrong, systematically check your input, components, connections, and thermal management before condemning the chip itself. The ILM723CN is a testament to good, solid analog circuit design that continues to serve the electronics community well. Keep experimenting, keep building, and keep powering your projects with confidence! This chip might seem basic, but its impact on making electronics accessible and functional is undeniable. Happy tinkering!